Download 176 KB
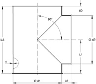
Durchmesser: Ø 80 – Ø 1000 mm.
Verzinkte T-Rohre sind aus 0,90 mm Blech (s) hergestellt.Für den Durchmesser gilt, dass A=C ≥ B ist.
[ Seitenanfang ]