ALLGEMEINE BESCHREIBUNG

PDF Download 425 KB

Ventilatortypen JK-30MT - JK-100MT

Die indirekt gekuppelten Zentrifugalventilatoren der Typen JK-30MT bis JK-100MT wurden für den Transport von Reinluft entwickelt.

Der Ventilator ist mit rückwärts gekrümmten Schaufelblättern und aerodynamischem Einlass ausgestattet. Die Laufräder wurden statisch und dynamisch ausgewuchtet. Sie sind per Kegelzapfen auf der Radnabe befestigt, was einfaches Auswechseln bei geänderten Drehzahlen ermöglicht.

Betriebstemperatur: 60 °C
Mit Kühlblechen: Bis zu 200 °C

Der Ventilator ist in Funkenstreifschutzausführung mit Edelstahleinlass und explosionsgeschütztem (Eex-)Motor lieferbar. Keilriemenantrieb ist antistatisch.

Die Abmessungen (D) für den Einlass beziehen sich auf die Außenmaße. Standardmäßig mit Flansch ausgeliefert. Die spezifischen Abmessungen für den Ein- und Ausgangsflansch sind unter „Flansche“ zu finden.

Die folgenden Seiten enthalten die technischen Daten der einzelnen Ventilatortypen.

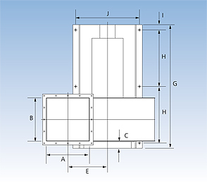
Abmessungen der Grundplatte in mm

Abmessungen

JK-30 MT bis JK-100 MT
Die Darstellungen der Einbaulage beziehen sich auf die Einlassseite.

JK-30 MT bis JK-100 MT

JK-30 MT bis JK-100 MT

JK-30 MT bis JK-100 MT

 

[ Seitenanfang ]